About the Project
About Us
Welcome to SoilSense! We are a team of Electrical and Computer Engineering students from Instituto Superior Técnico (IST) developing an innovative soil monitoring and irrigation system for smarter agriculture.
Soil health is essential for sustainable farming, yet effective monitoring and water management remain a challenge. Our solution integrates smart sensors and automated irrigation to measure moisture, nutrients, and environmental factors in real time, ensuring crops receive the right amount of water and nutrients for optimal growth.
This project is our opportunity to apply engineering to real-world challenges, exploring how technology can make farming more efficient, precise, and environmentally friendly.
Our Goals
-Develop a functional prototype to demonstrate our solution.
-Explore how our technology can be applied effectively.
-Document our progress.
-Collaborate to refine and expand our solution.
⬇ Project Proposal
About SoilSense
Our Mission
Agriculture faces increasing challenges with soil health, resource management, and sustainability. Our mission is to provide farmers with smart technology that enhances soil monitoring, ensuring better decision-making for healthier crops and a greener future
Technological Solution
SoilSense utilizes advanced sensors and data-driven insights to monitor soil moisture, nutrient levels, and environmental conditions. Our solution enables real-time tracking, optimizing irrigation and fertilization to maximize efficiency and reduce waste.
Solution Beneficiaries
Designed for farmers, agronomists, and agricultural researchers, our technology helps improve productivity, reduce costs, and promote sustainable farming practices. Whether for small farms or large-scale operations, SoilSense offers scalable solutions for all.
Webapp Main Features
SoilSense enables farmers to set ideal nutrient levels, ensuring healthier crops. The platform continuously monitors temperature, humidity, and nutrients, allowing precise adjustments. It also provides instant alerts for malfunctions, preventing crop damage and ensuring efficient farm management.
Our Partners
Frutas Classe
We are collaborating with Frutas Classe, a key partner bringing invaluable agricultural expertise to our project. Their support provides access to a dedicated testing environment and essential agricultural materials, allowing us to bridge the gap between engineering and agriculture. This partnership ensures that our design is tested and refined in real-world conditions, enhancing its practicality and effectiveness.
Blog
Blog Posts
WEEK 1-Kicking Off Our Project Journey
To save time and gain a head start, our team—as well as the other teams—began working on our project last...
Read moreWEEK 2-Refining Ideas and Gaining Insights
Following last week’s advisor meeting, we received valuable feedback on our project proposal. Taking that into account, we revised the...
Read moreWEEK 3-Going Live!
This week, we developed and launched our official website and blog, where we’ll share regular updates on our project journey....
Read moreWEEK 4-First Interview and Website Improvements
This week, we conducted our first interview with a field engineer, gaining valuable insights that will help shape our project...
Read moreWEEK 5-Defining What Matters: Our Requirements List
This week, we created our requirements list—a key document that outlines the essential features, needs, and components for our product...
Read moreWEEK 6- Materials Defined
This week, we defined the materials needed to develop our product and, with the support of our advisors, selected the...
Read moreWEEK 7-Provisional Mid-Program Pitch Deck Submission
This week, we submitted a provisional version of our mid-program pitch deck. While it builds on our original project proposal,...
Read moreWEEK 8-Final Pitch Deck Submitted
After reviewing the feedback from our advisors, we made the necessary adjustments and submitted the final version of our mid-program...
Read moreWEEK 9-A Delayed Pitch, but Progress Made
After the exam break, this week was supposed to mark the presentation of our mid-program pitch deck. Unfortunately, due to...
Read moreWEEK 10-Pitching Our Vision
This week marked a major milestone in our journey: the mid-program pitch deck presentation. We were both excited and a...
Read moreWEEK 11-First Glimpse of the Web App
Momentum picked up this week as we got our hands on the first draft of our web application. The login...
Read moreWEEK 12-Challenges and Course Corrections
This week, we began evaluating our initial prototype. Unfortunately, progress stalled due to some unforeseen constraints. However, we had a...
Read moreWEEK 13-When Plans Change
This was a tough but necessary week. Our goal was to have a working prototype ready for preliminary tests, but...
Read moreWEEK 14-Building Momentum Despite Setbacks
After a delayed start, this week marked important progress in our development journey. Although we couldn’t begin testing as planned—due...
Read moreWEEK 15-Final Assembly and Project Launch Prep
With deadlines fast approaching, this week was all about execution and finalization. We completed the printing of the remaining dispenser...
Read moreWEEK 16-Assembly and First Field Tests
This week marked a major milestone in the project: we finally delivered all the required materials and fixed the critical...
Read moreWEEK 17-Real-World Feedback and Final Adjustments
We returned to Frutas Classe this week to monitor the system’s performance and make necessary adjustments. Several issues came up...
Read moreInterviews and Materials
1st Interview
On March 7th, we had a meeting with the engineer in charge of the research and development department at a...
Read more
2nd Interview
In May, we met with a researcher at INIAV (National Institute for Agrarian and Veterinary Research) to discuss the current...
Read more
Requirements List
WebApp Save and process the crop data Data base Stores all crop-related data securely, including sensor readings, crop configurations, user...
Read more
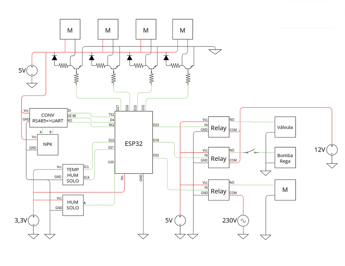
Electronic Scheme
Our smart irrigation and nutrient monitoring system is built around the ESP32, which serves as the central controller. It manages...
Read more
SoilSense Prototype
What Does It Do? Despite a few last-minute adjustments, the core features we committed to are successfully implemented and running...
Read more
WebApp Features
Here’s a quick guide to help you get started How to Access the Web App? You can access the platform...
Read more
List of Functionalities
You can download our list of functionalities using the button below!...
Read more
Contact Us
Contact Details
Have questions or need assistance? Reach out to us, we’re here to help!